TK Audio M/S Station
2.079,00 €*
Verfügbarkeit: Bitte kontaktieren Sie uns in dringenden Fällen.
Produktinformationen "TK Audio M/S Station"
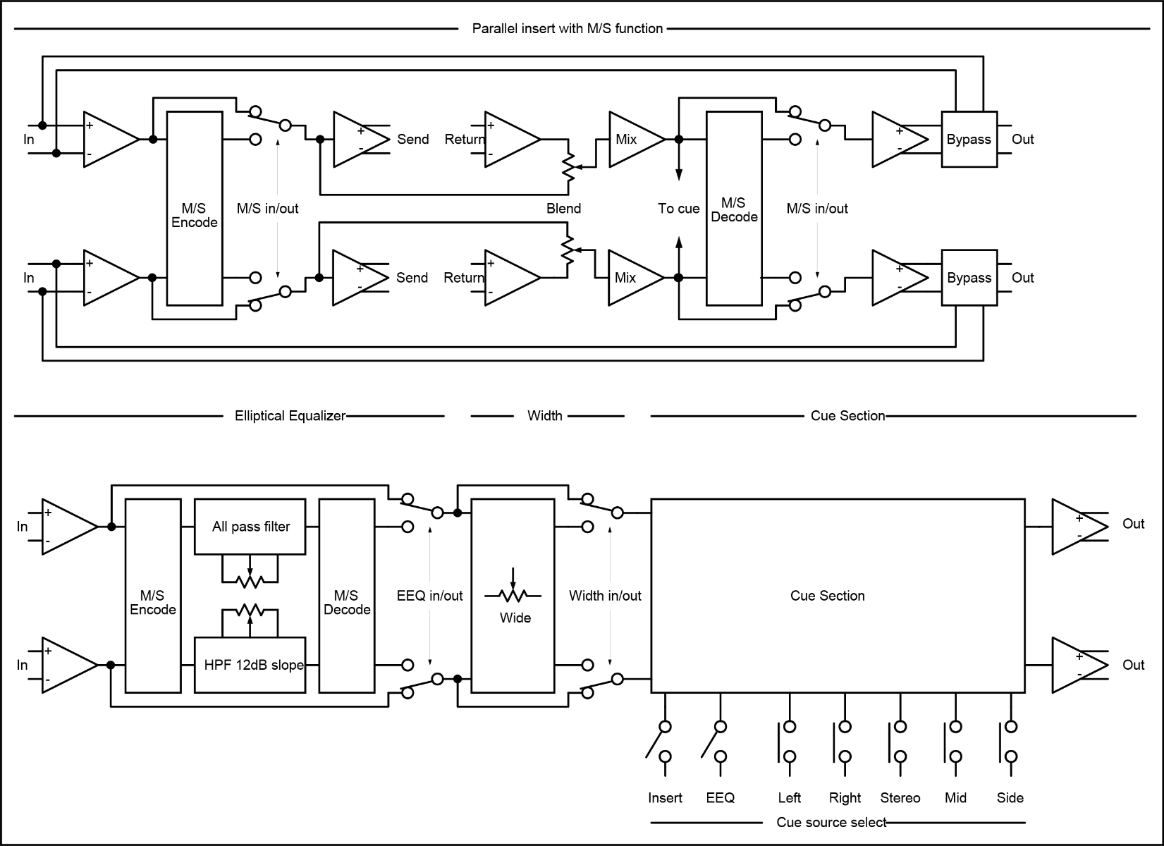
The M/S Station is a new mastering and main bus tool with four separate functions divided into two sections including an advanced cue function.
Section 1 is a parallel insert with M/S function allowing the user to use separate blend controls for the mid and side signals. For maximum precision the blend control(s) has 16 positions from dry to wet.
Section 2 consists of three parts, an elliptical EQ with 16 frequencies, a width control from 0-200% and an advanced cue function.
The two sections are normally linked internally but can be used separately with their own balanced inputs and outputs by removing four jumpers inside the unit (see unlink section 1 and 2). This way you can use them at different locations in your setup.
Section 1
Parallel insert with M/S function: With the insert section you can insert an external processor like an EQ, compressor, distortion unit etc, and then dial in a mix between the processed signal (wet) and the unprocessed signal (dry). For maximum precision the blend control has 16 steps from dry to wet. If you activate the M/S function your signal will be coded into mid ( L+R ) and side ( L-R ). The mid signal normally contains all the center info such as bass, kick drum, lead vocal etc and the side signal contains all the panned parts of the signal. In M/S you can process the center signal and side signal separately with different types of processors. With the blend split function you get separate blend controls for the mid and side signal. In M/S mode the blend function takes place before the signal is decoded back to left/right. With the insert cue function you can monitor the L or R signal after the blend control separately, mid or side if M/S is active.
Section 2
Elliptical Equalizer: With the elliptical EQ all frequencies below a selected frequency will be made to mono. This function can make your low end more focused. It’s an old technique used when mastering for vinyl. Too much low end in the side channel (vertical) can make the needle bounce slightly and cause distortion. By using a 12dB high pass filter in the side channel you set the frequency under which the signal will be processed as mono. As a HPF introduces phase shift to the signal, a phase correction is added to the mid channel keeping channel separation as good as possible. The EEQ has 16 frequencies from 36Hz to 302Hz. With the EEQ cue function you can monitor the signals that are mixed between the channels.
Stereo width control: By adjusting the amount of side information in the stereo mix, the width can be adjusted incrementally from mono to extra wide. With this control you can fine adjust the stereo image after you have used the M/S insert and EEQ.
Cue function: With the cue function you can monitor the left, right, mid or side signal separately. By pressing the cue sections Insert switch you can cue the parallel inserts return signal by pressing L or R. (this can be done even if you run the two sections separately at different locations in your chain) If you select the EEQ switch on the cue section you can monitor the low frequencies fed from left to right or right to left. The cue section is a passive design using relays to select the cue source.
Unlink section 1 and 2: If you like to use the two sections at different locations in your chain you can unlink them by removing the four jumpers inside the unit (see picture in the manual). You can then use them separately with their own balanced inputs and outputs. The two sections are linked as default.
Sicherheits- und Warnhinweise: | Die spezifischen Sicherheitshinweise für das Produkt sind in dessen Bedienungsanleitung aufgeführt. |
---|

TK Audio
TK Audio
Musikverkstan i Halmstad AB Falkenbergsgatan 10 302 33 Halmstad Sweden
https://tkaudio.se/